WP-XTRM系列多路智能巡檢遠傳溫度控制儀
- 電 話:021-69028098
- 傳 真:021-69028066
- 郵 箱:shkhyb@163.com
Description
產品詳細介紹:
智能多路巡檢遠傳溫度控制儀是集我企業多年儀表設計制造經驗,融國際最新器件與控制算法,更高層次的體現了微處理器代表的智能化、系列化與高可靠性等特點。
WP-XTRM系列多路智能巡檢遠傳溫度控制儀(多路溫度變送器)儀表、基于廣大用戶熟悉了解上潤儀表的基礎上,向用戶開放了儀表內部參數的設定界面,讓使用者擁有充分的自主權,一改一貫以來依賴生產商的被動局面,讓您能更方便地進行二次開發,是水泥、陶瓷、玻璃等行業專用檢測儀表。
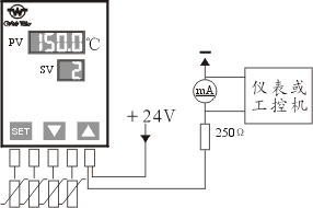
該產品采用Pt100熱電阻測溫,輸出信號為各個測溫回路中溫度最高的一路,并以4~20mA信號輸出,平時工作顯示回路中溫度最高的一路,若用戶需要時可通過面板按鍵觀看任何一路溫度。由于它采用二線制國際標準信號輸出,可以與控制計算機和各種二次儀表接口,并且有較高的抗干擾能力。
高性能、低價格、智能型、抗干擾、二線制信號傳輸,現場顯示LED,防水、防塵滿足現場安裝要求。
主要技術參數
輸入信號 | 測量通道 ·1~4路巡回測量 模擬量 ·電 阻:標準熱電阻 — Pt100 |
輸出信號 | 變送輸出負載·250Ω~750Ω 輸出 ·DC 4mA~20mA |
特性 | 測量精度
·顯示精度:±0.2%FS ·變送輸出精度:±0.5%FS 分 辨 率 ·0.1字; 測量范圍 ·0.0~200.0℃ 重量 ·500g 外形尺寸 ·110(W)×160(H)×67(D) mm |
|
|
型譜表
型 號 | 說 明 | |||
WP-XTRM | □ | □ | □□ | |
顯示方式 | 1 | LED數字顯示 | ||
輸入通道 | 輸入鉑電阻:Pt100 | 1 | 一通道輸入 | |
2 | 二通道輸入 | |||
3 | 三通道輸入 | |||
4 | 四通道輸入 | |||
測量量程 | 10 | 0~100℃ | ||
15 | 0~150℃ | |||
20 | 0~200℃ | |||
★注:本產品為水泥行業等專用溫度檢測儀,它將每路輸入信號進行比較后,選擇最高測量溫度
那一路作為變送(4~20)mA電流輸出。且變送輸出與供電電源只需共用兩根線即可。
★注:本產品可直接安裝于現場,工作環境溫度可達
-20℃~80℃。
★注:用戶需用四路溫度監測儀,數碼管顯示、熱電阻PT100,測溫范圍0~150℃
★注:型號舉例:WP-XTRM-1415
★注:特殊要求訂貨請與上潤公司聯系。





