NHR-3100系列單相電量表
概述NHR-3100系列單相電量表采用工業級元器件,所有與外界的連接都做了電氣隔離,內置抗雷擊保護電路和電源濾波器。專業的EMC設計,對裝置輸入電源、模擬和數字電源進行實時的監測,保證了其運行的可靠
- 電 話:021-69028098
- 傳 真:021-69028066
- 郵 箱:shkhyb@163.com
Description
| 概述 |
NHR-3100系列單相電量表采用工業級元器件,所有與外界的連接都做了電氣隔離,內置抗雷擊保護電路和電源濾波器。專業的EMC設計,對裝置輸入電源、模擬和數字電源進行實時的監測,保證了其運行的可靠性。適用于成套智能配電柜、智能箱變的數據采集。 |
主要功能參數 |
| 測量參數測量范圍測量誤差分辨力過載電壓0.0~500.0V/AC±(0.4%讀數+0.1%量程)0.1V120%電流0.01~5A/AC±(0.4%讀數+0.1%量程)0.001A120%有功功率U*I*COSΦPF=1.0;±(0.4%讀數+0.1%量程)0.1W 有功電能99999 MWh0.1Wh 無功功率U*I*SINΦPF=0.0;±(0.8%讀數+0.1%量程)0.1Var 無功電能99999 MVarh0.1Varh 視在功率U*I±(0.4%讀數+0.1%量程)0.1VA 視在電能99999 MVAh0.1VAh 功率因數0.000~1.000±0.020.001 工頻周波45~65 Hz±0.05Hz0.01Hz |
儀表面板 |
| 160*80mm(A型)96*96mm(C型)96*48mm(D型) |
|
參數功能 |
![]() |
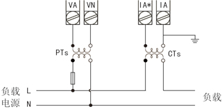
儀表接線圖 |
儀表總接線圖 儀表各輸入方式接線說明 1-2、單相兩線系統,采用1PT,1CT方式的接線圖 1-3、單相兩線系統,采用無PT,1CT方式的接線圖 |
![]() |
儀表選型 |
| NHR-3100□-□-□/□-□ ① ② ③ ④ ⑤ |
| ①規格尺寸 | ②輸入類型 | ||
| 代碼 | 寬*高*深 | 代碼 | 測量類型 |
| A C D | 160*80*130mm 96*96*130mm 96*48*130mm | I V W Ep E3P War Eq VA Es COS Hz | 交流電流 交流電壓 有功功率 有功電能 三相有功平衡功率 無功功率 無功電能 視在功率 視在電能 功率因數 工頻周波 |
| ③輸出類型 | |||
| 代碼 | 輸出類型(負載電阻RL) | ||
| X 0 1 2 3 4 D1 D2 PO 8 | 無輸出 4-20mA(RL≤600Ω) 1-5V(RL≥250KΩ) 0-10mA(RL≤1.2KΩ) 0-5V(RL≥250KΩ) 0-20mA(RL≤600Ω) RS485通訊 RS232通訊 累積脈沖輸出 特殊規格 | ||
| ④報警輸出 | ⑤供電電源 | ||
| 代碼 | 報警路數 | 代碼 | 電壓范圍 |
| X 2 | 無輸出 2限報警 | A D | AC100~240V
(50/60Hz) DC20~29V |
| 備注: |
| 在寫型號時必須完整,沒有選到的功能項不能省略,必須用“X”補上。 型號舉例:NHR-3100A-W-0/2-A |
瀏覽:
上一篇:NHR-2400系列頻率/轉速表
下一篇:NHR-3300系列三相綜合電量表











