WZ系列裝配式熱電阻
- 電 話:021-69028098
- 傳 真:021-69028066
- 郵 箱:shkhyb@163.com
Description
WZ系列裝配式熱電阻簡介
根據國家規定,我廠從1987年起開始生產符合lEC國際標準分度號的Pt1OO鉑熱電阻和符合專業標
準分度號的Cu50銅熱電阻兩大類裝配式、統一設計型熱電阻;
工業用熱電阻作為測量溫度的傳感器,通常和顯示儀表、記錄儀表和電子調節器配套使用。它可以直接測量各種生產過程中從一200℃~420℃范圍內的液體、蒸汽和氣體介質以及固體表面溫度。
WZ裝配式熱電阻基本型號

統一設計型熱電阻
● 無固定裝置式熱電阻

| 熱電阻類別 | 產品型號 | 分度號 | 測溫范圍℃ | 保護管材料 | 直徑dmm | 熱響應時間 |
| 單支鉑熱電阻 | WZP-120 | Pt100 (BA1BA2)* | -200~420 | 不銹鋼 1Cr18Ni9Ti | Ф16 | ≤90 |
| WZP-121 | Ф12 | ≤30 | ||||
| WZP-130 | Ф16 | ≤90 | ||||
| WZP-131 | Ф12 | ≤30 | ||||
| 雙支鉑熱電阻 | WZP2-120 | 不銹鋼 0Cr18Ni12Mo2Ti | Ф16 | ≤90 | ||
| WZP2-121 | Ф12 | ≤45 | ||||
| WZP2-130 | Ф16 | ≤90 | ||||
| WZP2-131 | Ф12 | ≤45 | ||||
| 銅熱電阻 | WZC-120 | Cu50 (G)* | -50~100 | 黃銅H62 不銹鋼 1Cr18Ni9Ti | Ф12 | ≤120 |
| WZC-130 |
注:1)打“*”分度號做特殊規格訂貨;
2)型號120、121為防濺式接線盒,型號130、131為防水式接線盒
熱電阻長度規格
Φ16單層管 | Φ20 | ||
總線長L | 置深l | 總線長L | 置深l |
300 | 150 | 225 | 75 |
● 固定螺紋安裝裝置
固定焊接螺紋規格對照表
材料:321或316L
| 型號 | M | H | S | D | 型號 | M | H | S | |
| /PS-01 | M27*2 | 32mm | 32mm | Φ39 | /PS-06 | 1/8NPT# | 10mm | 16mm | |
| /PS-02 | M33*2# | 32mm | 36mm | Φ44 | /PS-07 | 1/4NPT# | 14mm | 19mm | |
| /PS-03 | G1/2”# | 20mm | 27mm | Φ34 | /PS-08 | 1/2NPT# | 25mm | 27mm | |
| /PS-04 | G3/4” | 25mm | 32mm | Φ39 | /PS-08 | 3/4NPT | 25mm | 32mm | |
| /PS-05 | G1”# | 30mm | 36mm | Φ44 | /PS-10 | 1NPT# | 30mm | 38mm | |
![]() | | ||||||||
| 公稱壓力:10MPa | |||||||||
注:螺紋尺寸中大“#”符號表示外保護管直徑應相應調整
產品型號
WZP(單、雙支)-220、221、231、240、241 |
|
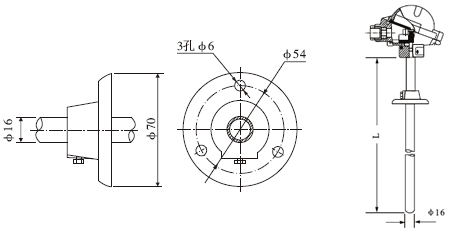
● 活動法蘭安裝裝置

活動法蘭 材料:鑄鐵
| 型號 | d | D | Do | do | 公稱壓力 |
| /PF-01 | Φ12 | Φ70 | Φ54 | Φ6 | 常壓 |
| /PF-02 | Φ16 | ||||
| /PF-03 | Φ20 |
● 固定法蘭安裝裝置

固定法蘭 材料:321、321、316L、45#鋼
Pg(公斤/厘米2Kg/cm2) | 法蘭主要尺寸(mm) | Dg(mm) | |||||
| 10 | 15 | 20 | 25 | 32 | 40 | ||
| 1、1.5和6 | D | 75 | 80 | 90 | 100 | 120 | 130 |
| D1 | 50 | 55 | 65 | 75 | 90 | 100 | |
| D2 | 32 | 40 | 50 | 60 | 70 | 80 | |
| N | 4 | 4 | 4 | 4 | 4 | 4 | |
| Do | 12 | 12 | 12 | 12 | 14 | 14 | |
| 10 | D | 90 | 95 | 105 | 115 | 135 | 145 |
| D1 | 60 | 65 | 75 | 85 | 100 | 110 | |
| D2 | 40 | 45 | 55 | 65 | 78 | 85 | |
| N | 4 | 4 | 4 | 4 | 4 | 4 | |
| Do | 14 | 14 | 14 | 14 | 18 | 18 | |
| 16 | D | 90 | 95 | 105 | 115 | 135 | 145 |
| D1 | 60 | 65 | 75 | 85 | 100 | 110 | |
| D2 | 40 | 45 | 55 | 65 | 78 | 85 | |
| N | 4 | 4 | 4 | 4 | 4 | 4 | |
| Do | 14 | 14 | 14 | 14 | 18 | 18 | |
| 25 | D | 90 | 95 | 105 | 115 | 135 | 145 |
| D1 | 60 | 65 | 75 | 85 | 100 | 110 | |
| D2 | 40 | 45 | 55 | 65 | 78 | 85 | |
| N | 4 | 4 | 4 | 4 | 4 | 4 | |
| Do | 14 | 14 | 14 | 14 | 18 | 18 | |
| 40 | D | 90 | 95 | 105 | 115 | 135 | 145 |
| D1 | 60 | 65 | 75 | 85 | 100 | 110 | |
| D2 | 40 | 45 | 55 | 65 | 78 | 85 | |
| N | 4 | 4 | 4 | 4 | 4 | 4 | |
| Do | 14 | 14 | 14 | 14 | 18 | 18 | |
產品型號
:
WZP(單、雙支)—420,421,430,431,440,441
WZC(單、雙支)—420,421,430,431,440,441
●
錐形固定螺紋安裝裝置

| 熱電偶類別 | 產品型號 | 分度號 | 測溫范圍 | 保護管材料 | 螺紋規格 | 規格 | 接線盒形式 | |
| 總長L | 插深l | |||||||
| 單支鉑熱電阻 | WZP-630/PS-01 | Pt100 (BA1BA2)* | -200~400℃ | 321 316L | M27*2 | 225 250 300 350 400 450 500 550 | 75 100 150 200 250 300 350 400 | 防水式 |
| WZP-630/PS-02 | M33*2 | |||||||
| WZP-630/PS-05 | G1” | |||||||
| 雙支鉑熱電阻 | WZP2-630/PS-01 | M27*2 | ||||||
| WZP2-630/PS-02 | M33*2 | |||||||
| WZP2-630/PS-05 | G1” | |||||||
| 單支鎳鉻-康銅 | WZP-630/PS-01 | CU50 | -50~100℃ | 321 316L | M27*2 | |||
| WZP-630/PS-02 | M33*2 | |||||||
| WZP-630/PS-05 | G1” | |||||||
| 單支鎳鉻-康銅 | WZC-630/PS-01 | M27*2 | ||||||
| WZC-630/PS-02 | M33*2 | |||||||
| WZC-630/PS-05 | G1” | |||||||
注
1)響應時間T0.5<90秒
2)打“*”分度號作特殊規格訂貨
3)公稱壓力:30Mpa,
流速<80m/s
普通型熱電阻
●固定螺紋式熱電阻

| 熱電阻類別 | 產品型號 | 分度號 | 測溫范圍℃ | 保護管材料 | 規格 | 熱響應時間 | |
| 總長L(mm) | 置深l(mm) | ||||||
| 銅熱電阻 (雙股引出線) | WZC-220 | Cu50 (G)* | -50~100 | 黃銅H62 | 500 550 600 700 900 | 100 150 200 300 400 | <240 |
| 不銹鋼 1Cr18Ni9Ti | |||||||
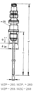
| 單支鉑熱電阻 | WZP-260 | Pt100 (BA1BA2)* | 0~100 | 不銹鋼 1Cr18Ni9Ti | 75 100 150 170 180 200 220 270 300 400 410 420 | <30 | |
| 單支鉑熱電阻 | WZP2-260 | <45 | |||||
| 表面鉑熱電阻 | WZPM-267 | Pt100 (BA1BA2)* | -50~150 | 不銹鋼 1Cr18Ni9Ti | 100 150 200 250 300 350 | <30 | |
注:①打“*”分度號作特殊規格訂貨
?、赪ZC-200雙股引出電纜作導線
③WZPM-267采用引進元件WZPM-018,精度等級為:B級
● 固定螺紋式熱電阻

| 熱電阻類別 | 產品型號 | 分度號 | 測溫范圍℃ | 保護管材料 | 規格 | 熱響應時間 | |
| 總長 L(mm) | 置深l(mm) | ||||||
| 單支鉑熱電阻 | WZP-269 | Pt100 (BA1BA2)* | -200~300 | 不銹鋼 1Cr18Ni9Ti | 160 185 235 285 335 | 75 100 150 200 250 | <30 |
| 雙支鉑熱電阻 | WZP2-269 | <45 | |||||
| 銅熱電阻 | WZC-269 | Cu50 (G)* | -50~100 | 不銹鋼 1Cr18Ni9Ti | <120 | ||
| 鉑熱電阻 | WZP-270 | Pt100 (BA1BA2)* | -200~420 | 不銹鋼 1Cr18Ni9Ti | 95 105 130 155 205 | 40 50 75 100 150 | <15 |
| 銅熱電阻 | WZC-270 | Cu50 (G)* | -50~150 | <45 | |||
| 鉑熱電阻 | WZP-280 | Pt100 (BA1BA2)* | -200~300 | 不銹鋼 1Cr18Ni9Ti | 175 200 250 300 350 | 75 100 150 200 250 | <30 |
注:①打“*”分度號作特殊規格訂貨
260、269型直徑型號對照表
| 產品型號 | 直徑dmm | |
| WZP-260 | Ф10 | |
| WZP2-260 | Ф10 | |
| WZP-269 | Ф12 | |
| WZP2-269 | Ф12 | |
| WZC-269 | Ф12 |
用于測量流動氣體和液體
| 型號 | 分度號 | 測溫范圍℃ | 精度等級 | 熱響應時間T0.5S | 長度Lmm | ![]() |
| WZP-26S | Pt100 | -200~300 | A級或B級 | ≤5 | 50 75 100 125 150 |
注:(1)保護管材料:1cr18Ni9Ti不銹鋼
(2)結構特征:帶固定螺栓接頭
●防水式接線盒
| 型號 | 分度號 | 測溫范圍℃ | 精度等級 | 熱響應時間T0.5S | 長度Lmm | |
| WZP-236S | Pt100 | -200~500 | A級或B級 | ≤15 | 92 342 144 392 192 442 242 492 292 542 | |
| WZP2-236S |
注:保護管材料:1cr18Ni9Ti不銹鋼
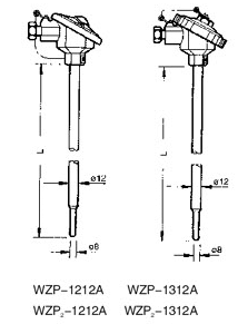
● 無固定裝置式

| 型號 | 分度號 | 測溫范圍℃ | 精度等級 | 熱響應時間T0.5S | 長度Lmm | 結構特征 |
| WZP-1212A | Pt100 | -200~500 | A級或B級 | ≤45 | 225 250 300 350 400 450 550 650 900 1150 | 防濺式 |
| WZP2-1212A | ||||||
| WZP-1312A | 防水式 | |||||
| WZP2-1312A |
注:保護管材料:1cr18Ni9Ti不銹鋼
鉑電阻感溫元件為鎧裝形
雙支為三線制引線
●
固定螺紋式

| 型號 | 分度號 | 測溫范圍℃ | 精度等級 | 熱響應時間T0.5S | 長度 L×1mm | 結構特征 |
| WZP-2212A | Pt100 | -200~500 | A級或B級 | ≤45 | 225×75 250×100 300×150 350×200 400×250 450×300 550×400 650×500 900×750 1150×1000 | 防濺式 |
| WZP2-2212A | ||||||
| WZP-2312A | 防水式 | |||||
| WZP2-2312A |
注:保護管材料:1cr18Ni9Ti不銹鋼
鉑電阻感溫元件為鎧裝形
雙支為三線制引線
●
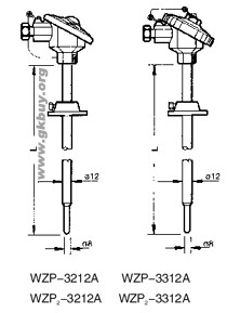
活動式法蘭式

| 型號 | 分度號 | 測溫范圍℃ | 精度等級 | 熱響應時間T0.5S | 長度 Lmm | 結構特征 |
| WZP-3212A | Pt100 | -200~500 | A級或B級 | ≤45 | 225×75 250×100 300×150 350×200 400×250 450×300 550×400 650×500 900×750 1150×1000 | 防濺式 |
| WZP2-3212A | ||||||
| WZP-3312A | 防水式 | |||||
| WZP2-3312A |
注:保護管材料:1cr18Ni9Ti不銹鋼
鉑電阻感溫元件為鎧裝形
雙支為三線制引線
●
固定法蘭式

| 型號 | 分度號 | 測溫范圍℃ | 精度等級 | 熱響應時間T0.5S | 長度 L×1mm | 結構特征 |
| WZP-4212A | Pt100 | -200~500 | A級或B級 | ≤45 | 225 250 300 350 400 450 550 650 900 1150 | 防濺式 |
| WZP2-4212A | ||||||
| WZP-4312A | 防水式 | |||||
| WZP2-4312A |
注:保護管材料:1cr18Ni9Ti不銹鋼
鉑電阻感溫元件為鎧裝形
雙支為三線制引線
●
固定螺紋錐形保護管式

| 型號 | 分度號 | 測溫范圍℃ | 精度等級 | 熱響應時間T0.5S | 長度 L×1mm | 結構特征 |
| WZP-6212A | Pt100 | -200~500 | A級或B級 | ≤90 | 225×75 250×100 300×100 350×200 400×250 | 防濺式 |
| WZP2-6212A | ||||||
| WZP-6312A | 防水式 | |||||
| WZP2-6312A |
注:保護管材料:1cr18Ni9Ti不銹鋼
鉑電阻感溫元件為鎧裝形
雙支為三線制引線






