WR系列裝配式熱電偶
- 電 話:021-69028098
- 傳 真:021-69028066
- 郵 箱:shkhyb@163.com
Description
概述
裝配熱電偶通常和顯示儀表、記錄儀表、電子計算等配套使用。直接測量各種生產過程中的0°C~1300°C范圍內液體、蒸汽和氣體介質以及固體表面溫度。
主要特點有:裝配簡單,更換方便;壓簧式感溫元件,抗振性能好;測溫范圍大;機械強度高,耐壓性能好
裝配式熱電偶通常是由熱電極絕緣材料保護管和接線盒等部件組成。其中兩熱電極一端焊接在一起,起感溫元件的作用,是熱電偶的核心部份。絕緣材料的作用是將兩熱電極隔離開,防止短路現像。保護管的作用是使熱電極和被測介質不直接接觸,此外還起固定和支撐熱電偶感溫元件的作用。接線盒的作用是用來固定連接感溫元件與外接導線,并保護感溫元件免受外界氣氛侵蝕。
產品執行標準:IEC584、IEC1515、GB/T16839-1997、JB/T5582-91
裝配熱電偶熱電偶在環境溫度為20±15°C,相對濕度不大于80%,試驗電壓為500±50V(直流)電極與外套管之間的絕緣電阻>1000Ω.m。
WR裝配式熱電偶基本型號
統一設計型熱電偶

無固定裝置式(陶瓷保護管)熱電偶

熱電偶類別 | 產品型號 | 分度號 | 測溫范圍 | 規格 | 熱響應時間(T0.5s) | |
直徑mm | 保護管材料 | |||||
單支鉑銠30-鉑銠6 | WRB-120-T2 | B | 0~1600 | Φ16 | 剛玉質 | <150 |
WRB-121-T2 | Φ25 | <360 | ||||
雙支鉑銠30-鉑銠6 | WRB2-120-T2 | Φ16 | <150 | |||
WRB2-121-T2 | Φ25 | <360 | ||||
單支鉑銠10-鉑銠6 | WRS-120-T1 | S | 0~1300 | Φ16 | 高鋁質 | <150 |
WRS-121-T1 | Φ25 | <360 | ||||
雙支鉑銠10-鉑銠6 | WRS2-120-T1 | Φ16 | <150 | |||
WRS2-121-T1 | Φ25 | <360 | ||||
單支鎳鉻-鎳硅 | WRK-122-T1 | K | 0~1100 | Φ16 | 高鋁質 | <240 |
WRK-123-T1 | 0~1200 | Φ20 | ||||
雙支鎳鉻-鎳硅 | WRK2-121-T1 | 0~1100 | ||||
單支鉑銠30-鉑銠6 | WRB-130-T2 | B | 0~1600 | Φ16 | 剛玉質 | <150 |
WRB-131-T2 | Φ25 | <360 | ||||
雙支鉑銠30-鉑銠6 | WRB2-130-T2 | Φ16 | <150 | |||
WRB2-131-T2 | Φ25 | <360 | ||||
單支鉑銠10-鉑銠6 | WRS-130-T1 | S | 0~1300 | Φ16 | 高鋁質 | <150 |
WRS-131-T1 | Φ25 | <360 | ||||
雙支鉑銠10-鉑銠6 | WRS2-130-T1 | Φ16 | <150 | |||
WRS2-131-T1 | Φ25 | <360 | ||||
單支鎳鉻-鎳硅 | WRK-133-T1 | K | 0~1200 | Φ20 | 高鋁質 | <240 |
雙支鎳鉻-鎳硅 | WRK2-133-T1 | 0~1100 | ||||
保護管直徑和長度
Φ16單層管 | Φ20 | Φ25雙層管 | |||
總線長L | 置深l | 總線長L | 置深l | 總線長L | 置深l |
300 | 150 | 400 | 250 | 550 | 400 |
350 | 200 | 450 | 300 | 650 | 500 |
400 | 250 | 550 | 400 | 900 | 750 |
450 | 300 | 650 | 500 | 1150 | 1000 |
550 | 400 | 900 | 750 | 1650 | 1500 |
650 | 500 | 1150 | 1000 | 2150 | 2000 |
900 | 750 | 1650 | 1500 | ||
1150 | 1000 | 2150 | 2000 | ||
裝配式熱電偶型號規格
| 熱電偶類別 | 產品型號 | 分度號 | 使用溫度范圍 | 保護管材料 | 規格 |
| 總長 | |||||
| 單支鎳鉻硅-鎳硅 | WRN- | N | 0~1050℃ | 304 | 300 350 400 450 500 550 650 900 1150 1650 2150 |
| 雙支鎳鉻硅-鎳硅 | WRN2- | ||||
| 單支鎳鉻-鎳硅 | WRK- | K (EU-2)* | 0~800℃ 0~1000℃ | 304 321 316L 310S GH3030 | |
| 雙支鎳鉻-鎳硅 | WRK2- | ||||
單支鎳鉻-康銅 | WRE- | E (EA-2)* | 0~600℃ | 304 321 316L | |
| 雙支鎳鉻-康銅 | WRE2- | ||||
單支鐵-康銅 | WRJ- | J | 0~600℃ | 304 | |
| 雙支鐵-康銅 | WRJ2- | ||||
單支銅-康銅 | WRT- | T | 0~500℃ | 304 321 316L | |
| 雙支銅-康銅 | WRT2- |
注:
1) 熱響應時間T0.5<90秒
2) 打“* ”分度號作特殊規格訂貨
●無固定安裝裝置
產品型號
WRN(單、雙支)-120、121、130、131 | |
● 固定螺紋安裝裝置
WRN(單、雙支) -220、221、230、240、241 |
|
固定焊接螺紋規格對照表
材料:SUS304或SUS316L
| 型號 | M | H | S | D | 型號 | M | H | S | |
| /PS-01 | M27*2 | 32mm | 32mm | Φ39 | /PS-06 | 1/8NPT# | 10mm | 16mm | |
| /PS-02 | M33*2# | 32mm | 36mm | Φ44 | /PS-07 | 1/4NPT# | 14mm | 19mm | |
| /PS-03 | G1/2”# | 20mm | 27mm | Φ34 | /PS-08 | 1/2NPT# | 25mm | 27mm | |
| /PS-04 | G3/4” | 25mm | 32mm | Φ39 | /PS-08 | 3/4NPT | 25mm | 32mm | |
| /PS-05 | G1”# | 30mm | 36mm | Φ44 | /PS-10 | 1NPT# | 30mm | 38mm | |
![]() | | ||||||||
| 公稱壓力:10MPa | |||||||||
注:螺紋尺寸中大“#”符號表示外保護管直徑應相應調整。
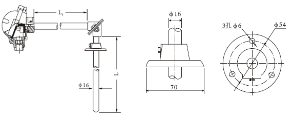
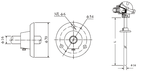
● 活動法蘭安裝裝置
產品型號:
| WRN(單、雙支)—320,321,330,331 WRK(單、雙支)—320,321,330,331 WRE(單、雙支)—320,321,330,331 WRJ(單、雙支)—320,321,330,331 WRT(單、雙支)—320,321,330,331 | ![]() |
活動法蘭
材料:鑄鐵
| 型號 | d | D | Do | do | 公稱壓力 |
| /PF-01 | Φ12 | Φ70 | Φ54 | Φ6 | 常壓 |
| /PF-02 | Φ16 | ||||
| /PF-03 | Φ20 |
● 固定法蘭安裝裝置
產品型號:
| WRN(單、雙支)—420,421,430,431,440,441 WRK(單、雙支)—420,421,430,431,440,441 WRE(單、雙支)—420,421,430,431,440,441 WRJ(單、雙支)—420,421,430,431,440,441 WRT(單、雙支)—420,421,430,431,440,441 |
|
固定法蘭
材料:321、321、316L、45#鋼
Pg(公斤/厘米2Kg/cm2) | 法蘭主要尺寸(mm) | Dg(mm) | |||||
| 10 | 15 | 20 | 25 | 32 | 40 | ||
| 1、1.5和6 | D | 75 | 80 | 90 | 100 | 120 | 130 |
| D1 | 50 | 55 | 65 | 75 | 90 | 100 | |
| D2 | 32 | 40 | 50 | 60 | 70 | 80 | |
| N | 4 | 4 | 4 | 4 | 4 | 4 | |
| Do | 12 | 12 | 12 | 12 | 14 | 14 | |
| 10 | D | 90 | 95 | 105 | 115 | 135 | 145 |
| D1 | 60 | 65 | 75 | 85 | 100 | 110 | |
| D2 | 40 | 45 | 55 | 65 | 78 | 85 | |
| N | 4 | 4 | 4 | 4 | 4 | 4 | |
| Do | 14 | 14 | 14 | 14 | 18 | 18 | |
| 16 | D | 90 | 95 | 105 | 115 | 135 | 145 |
| D1 | 60 | 65 | 75 | 85 | 100 | 110 | |
| D2 | 40 | 45 | 55 | 65 | 78 | 85 | |
| N | 4 | 4 | 4 | 4 | 4 | 4 | |
| Do | 14 | 14 | 14 | 14 | 18 | 18 | |
| 25 | D | 90 | 95 | 105 | 115 | 135 | 145 |
| D1 | 60 | 65 | 75 | 85 | 100 | 110 | |
| D2 | 40 | 45 | 55 | 65 | 78 | 85 | |
| N | 4 | 4 | 4 | 4 | 4 | 4 | |
| Do | 14 | 14 | 14 | 14 | 18 | 18 | |
| 40 | D | 90 | 95 | 105 | 115 | 135 | 145 |
| D1 | 60 | 65 | 75 | 85 | 100 | 110 | |
| D2 | 40 | 45 | 55 | 65 | 78 | 85 | |
| N | 4 | 4 | 4 | 4 | 4 | 4 | |
| Do | 14 | 14 | 14 | 14 | 18 | 18 | |
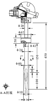
● 錐形固定螺紋安裝裝置

| 熱電偶類別 | 產品型號 | 分度號 | 測溫范圍 | 保護管材料 | 螺紋規格 | 規格 | 接線盒形式 | |
| 總長L | 插深l | |||||||
| 單支鎳鉻-鎳硅 | WRK-630/PS-01 | K (EU-2)* | 0~600℃ | 321 316L | M27*2 | 225 250 300 350 400 450 500 550 | 75 100 150 200 250 300 350 400 | 防水式 |
| WRK-630/PS-02 | M33*2 | |||||||
| WRK-630/PS-05 | G1” | |||||||
| 雙支鎳鉻-鎳硅 | WRK2-630/PS-01 | M27*2 | ||||||
| WRK2-630/PS-02 | M33*2 | |||||||
| WRK2-630/PS-05 | G1” | |||||||
| 單支鎳鉻-康銅 | WRE-630/PS-01 | E (EA-2)* | 0~600℃ | 321 316L | M27*2 | |||
| WRE-630/PS-02 | M33*2 | |||||||
| WRE-630/PS-05 | G1” | |||||||
| 雙支鎳鉻-康銅 | WRE2-630/PS-01 | M27*2 | ||||||
| WRE2-630/PS-02 | M33*2 | |||||||
| WRE2-630/PS-05 | G1” | |||||||
注
1)響應時間T0.5<90秒
2)打“*”分度號作特殊規格訂貨
3)公稱壓力:30Mpa,
流速<80m/s
● 焊接固定錐形保護管式熱電偶
| 熱電偶類別 | 產品型號 | 分度號 | 測量范圍 | 保護管材料 | 熱響應時間T0.5s | 工作端形式 | |
| 單支鎳鉻-鎳硅 | WRK-624 | K (EU-2)* | 0~600℃ | 不銹鋼 1Cr18Ni9Ti | <20 | 接殼式 | |
| WRK-625 | <30 | 絕緣式 | |||||
| 單支鎳鉻-康銅 | WRE-624 | E (EA-2)* | <20 | 接殼式 | |||
| WRE-625 | <30 | 絕緣式 |
注:
1)響應時間T0.5<90秒
2)打“*”分度號作特殊規格訂貨
3)公稱壓力:30Mpa,
流速<80m/s
●活動法蘭角尺形熱電偶

| 熱電偶類別 | 產品型號 | 分度號 | 測溫范圍 | 規格 | 接線盒形式 |
| 總長L | |||||
| 單支鎳鉻-鎳硅 | WRK-530 | K (EU-2)* | 0~800℃ | 500*500 750*750 | 防水式 |
| 雙支鎳鉻-鎳硅 | WRK2-530 | 0~1000℃ | |||
| 單支鎳鉻-康銅 | WRE-530 | E (EA-2)* | 0~600℃ | ||
| 雙支鎳鉻-康銅 | WRE2-530 |
注:
1)熱響應時間T0.5<90秒
2)打“*”分度號作特殊規格訂貨








