虹潤NHR-3100系列單相電量表
- 電 話:021-69028098
- 傳 真:021-69028066
- 郵 箱:shkhyb@163.com
Description
概述
NHR-3100系列單相電量表為新一代可編程智能儀表,它采用大規模集成電路,應用數字采樣技術,對單相電氣線路中的電壓、電流、有功、無功、功率因素、相位值、頻率、有功電能、無功電能及視在功率進行實時測量與顯示,并通過RS485接口或模擬量變送輸出接口對被測量電量數據進行遠傳。產品涵蓋了智能電網用戶端的低壓電力信號采集、測量、計量、監控、保護、系統集成、成套智能配電柜及智能箱變等領域。產品設計遵循電力儀表國標和行標GB/T22264-2008《安裝式數字電測量儀表》、JB/T10736-2007《低壓電動機保護器》、GB/T15576-2008《低壓成套無功補償裝置》、GB/T22387-2008《剩余電流動作繼電器》等標準。
五位LED數碼顯示
可直接采集交流電壓、電流信號,可測量有功功率、無功功率、視在功率、功率因數、工頻周波及有功電能、無功電能、總電能
具有模擬量輸出、通訊輸出和累積電能脈沖輸出功能可選
具有上下限報警報警功能,帶LED報警燈指示
支持RS485、RS232串行接口,采用標準MODBUS RTU通訊協議
具備多種外形尺寸及樣式供用戶選擇
測量參數
| 測量參數 | 測量范圍 | 測量誤差 | 分辨力 | 過載 |
| 電壓 | 0.0~500.0V/AC | ±(0.2%讀數+0.1%量程) | 0.1V | 持續120%;瞬時2倍/30S |
| 電流 | 0.03~5A/AC | ±(0.2%讀數+0.1%量程) | 0.001A | 持續120%;瞬時2倍/30S |
| 有功功率 | U*I*COSΦ | PF=1.0; ±(0.4%讀數+0.1%量程) | 0.1W | |
| 有功電能 | 9999.9 MWh | 0.1KWh | ||
| 無功功率 | U*I*SINΦ | PF=0.0; ±(0.4%讀數+0.1%量程) | 0.1Var | |
| 無功電能 | 9999.9 MVarh | 0.1KVarh | ||
| 視在功率 | U*I | ±(0.4%讀數+0.1%量程) | 0.1VA | |
| 視在電能 | 9999.9 MVAh | 0.1KVAh | ||
| 功率因數 | 0.000~1.000 | ±0.01 | 0.001 | |
| 工頻周波 | 45~65 Hz(50~500V) | ±0.05Hz | 0.01Hz |
技術參數
| 輸入 | |
| 輸入信號 | 交流0~500V輸入,500V以上由電壓互感器轉換為滿量程為100V的電壓輸入 |
| 交流0~5A輸入,5A以上由電流互感器轉換為滿量程為5A的電流輸入 | |
| 輸出 | |
| 輸出信號 | 4-20mA,0-10mA,0-20mA,1-5V,0-5V |
| 輸出負載 | 電流型≤500Ω,電壓型≥250KΩ |
| 報警輸出 | 繼電器,容量:AC220V/2A,DC24V/2A |
| 通訊 | MODBUS-RTU協議,RS485傳輸距離≤1000米;RS232傳輸距離≤10米;信號傳輸率≤9.6kbps |
| 累積脈沖 | 輸出為OC門集電極開路,電壓VCC≤48v,電流Iz≤50mA |
| 電源 | |
| 電源 | DC20-29V,AC/DC100-240V 50/60Hz |
| 功耗 | ≤5W |
| 其它參數 | |
| 絕緣電阻 (輸入/輸出/電源之間) | ≥100MΩ(500VDC時) |
| 絕緣強度 (輸入/輸出/電源之間) | 1500Vrms(1 min,無火花) |
| 工作溫度 | 0~50℃(無凝露、無結冰) |
| 相對濕度 | 25%~85%RH |
| 保存溫度 | -10~60℃(無凝露、無結冰) |
儀表面板
![]() | ![]() | ![]() |
| (A型) 外形尺寸:160*80*142mm 開孔尺寸:152*76mm 安裝深度:130mm | (C型) 外形尺寸:96*96*142mm 開孔尺寸:92*92mm 安裝深度:130mm | (D型) 外形尺寸:96*48*142mm 開孔尺寸:92*45mm 安裝深度:130mm |

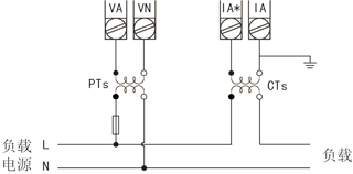
| 儀表接線圖 |
儀表總接線圖 儀表各輸入方式接線說明 1-2、單相兩線系統,采用1PT,1CT方式的接線圖 1-3、單相兩線系統,采用無PT,1CT方式的接線圖 符號描述 |
![]() |
儀表選型
NHR-3100□-□-□/□-□
① ② ③ ④ ⑤
| ①規格尺寸 | ②輸入類型 | ||
| 代碼 | 寬*高*深 | 代碼 | 測量類型 |
| A C D | 160*80*142mm 96*96*142mm 96*48*142mm | I V W Ep E3P War Eq VA Es COS Hz 55 | 交流電流(0.03-5.00A) 交流電壓(0.0-500.0V) 有功功率 有功電能 三相有功平衡功率(不可切換) 無功功率 無功電能 視在功率 視在電能 功率因數 工頻周波 全切換 |
| ③輸出類型 | |||
| 代碼 | 輸出類型(負載電阻RL) | ||
| X 0 1 2 3 4 D1 D2 PO 8 | 無輸出 4-20mA(RL≤500Ω) 1-5V(RL≥250KΩ) 0-10mA(RL≤1KΩ) 0-5V(RL≥250KΩ) 0-20mA(RL≤500Ω) RS485通訊 RS232通訊 累積脈沖輸出(適用于電能累積) 特殊規格 | ||
| ④報警輸出 | ⑤供電電源 | ||
| 代碼 | 報警路數 | 代碼 | 電壓范圍 |
| X 2 | 無輸出 2限報警 | A D | AC100~240V (50/60Hz) DC20~29V |
備注:
型號時必須完整,沒有選到的功能項不能省略,必須用“X”補上。
電流輸出與電壓輸出之間是不可切換的,需通過更改硬件完成,訂貨時請注明清楚。
型號舉例:NHR-3100A-W-0/2-A











