HM-800微壓/風壓壓變送器
HM-800型差壓變送器有多種接口形式和引線方式,并可配置一體指針或數字表頭,現場顯示差壓值,零點、量程連續可調。該產品廣泛應用于爐堂壓力、煙塵治理、風機、空調機等場所進行壓力、流量的檢測和控制。
- 電 話:021-69028098
- 傳 真:021-69028066
- 郵 箱:shkhyb@163.com
Description
概述
HM-800型差壓變送器選用高精度、高穩定性傳感器芯片,采用應力隔離技術,經精密溫度補償及高穩定性放大處理,將被測介質的差壓信號轉換成4~20mADC、0~10mADC或0~5VDC標準信號輸出。高質量的傳感器、精堪的封裝技術及完善的裝配工藝,確保了該產品質量優異和性能穩定。
HM-800型差壓變送器有多種接口形式和引線方式,并可配置一體指針或數字表頭,現場顯示差壓值,零點、量程連續可調。該產品廣泛應用于爐堂壓力、煙塵治理、風機、空調機等場所進行壓力、流量的檢測和控制。此類變送器也可單端使用測表壓(負壓)。
主要特點
外形精巧,安裝方便;
阻尼濾波設計使它受動壓的影響小;
可同時用于差壓、壓力、負壓測量;
可帶低功耗、寬溫區的LCD顯示表;
零位、滿度均現場可調;
高過載和高靜壓設計;
輸出信號、電氣連接和壓力接口均采用標準化設計。
技術規格

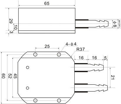
尺寸規格
安裝要求
瀏覽:
上一篇:WP435衛生型壓力變送器
下一篇:防水/防塵型壓力變送器



