虹潤NHR-A4系列簡易型電量變送器
單通道、雙通道交流電壓、電流輸入模擬量輸出輸入/輸出/電源磁隔離傳輸精度(20℃):0.5%FS模塊化設計,體積小,功耗低插拔式端子,便于安裝、維護標準的35mmDIN導軌卡式安裝概述本產品采用電磁
- 電 話:021-69028098
- 傳 真:021-69028066
- 郵 箱:shkhyb@163.com
Description
![]() | 單通道、雙通道 交流電壓、電流輸入 模擬量輸出 輸入/輸出/電源磁隔離 傳輸精度(20℃):0.5%FS 模塊化設計,體積小,功耗低 插拔式端子,便于安裝、維護 標準的35mmDIN導軌卡式安裝 |
概述
本產品采用電磁隔離技術,對電網或電路中的交流電流、電壓進行實時測量,它可將被測交流電流、電壓轉換成按線性比例輸出的直流電流或者直流電壓信號,產品具有高精度、高隔離、快響應時間、低漂移、低功耗等特點。產品品種可分為一進一出、兩進兩出,且輸入、輸出回路完全隔離,輸出信號與電源隔離,廣泛應用于電力、郵電、石油、煤炭、冶金、鐵道、市政等部門的電氣裝置、自動控制以及調度系統。
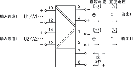
接線圖

結構外型圖
|
技術參數
| 輸入 | |
| 輸入信號 | 交流0~500V輸入,500V以上由電壓互感器轉換為滿量程為100V的電壓輸入 |
| 交流0~5A輸入,5A以上由電流互感器轉換為滿量程為5A的電流輸入 | |
| 輸出 | |
| 輸出信號 | 4-20mA,0-10mA,0-20mA,1-5V,0-5V |
| 輸出負載 | 電流型≤500Ω,電壓型≥250KΩ |
| 電源 | |
| 電源 | DC24V(±10%) |
| 功耗 | ≤1.4W |
| 其它參數 | |
| 絕緣阻抗 (輸入/輸出/電源之間) | ≥100MΩ(500VDC時) |
| 耐壓強度 (輸入/輸出/電源之間) | 1500Vrms(1 min,無火花) |
| 工作溫度 | 0~50℃(無凝露、無結冰) |
| 相對濕度 | 25%~85%RH |
| 保存溫度 | -10~60℃(無凝露、無結冰) |
| 安裝方式 | 35mmDIN導軌安裝 |
| 安裝尺寸 | 22.5*110*115mm(寬*高*深) |
| 傳輸精度 | 0.5%FS |
| 響應時間 | ≤300mS |
| 電磁兼容性 | 符合GB/T18268工業設備應用要求(IEC 61326-1) |
儀表選型
| 7 | 8 | 9 | 10 | 11 | |||||||||
| A4系列簡易型電量變送器 NHR-A4 | - | □ | / | □ | - | □ | / | □ | - | □ | |||
| 位 | 規格 | 注釋 | | | | | | | ↓ □ | / | | | | | | | | | | | | | | | | | | | ↓ □ | / | | | | | | | | | | | | | | | | | ↓ □ | | | | | | | | | | | | | | | | | | | | | ↓ D | ||||
| 7/8 | <輸入> | ||||||||||||
| 通道I/通道II(從列表中選擇代碼) | |||||||||||||
| 代碼 | 類型 | ||||||||||||
| A | 交流電流 (0-5A) | ||||||||||||
| V | 交流電壓 (0-500V) | ||||||||||||
| X | 通道II無輸入時選擇 | ||||||||||||
| 9/10 | <輸出>(從列表中選擇代碼) | ||||||||||||
| 代碼 | 類型 | ||||||||||||
| X | 無輸出 | ||||||||||||
| 0 | 4-20mA | ||||||||||||
| 1 | 1-5V | ||||||||||||
| 2 | 0-10mA | ||||||||||||
| 3 | 0-5V | ||||||||||||
| 4 | 0-20mA | ||||||||||||
| 11 | <電源> | ||||||||||||
| DC24V(±10%) | |||||||||||||
型號舉例:NHR-A4-A/A-0/0-D(A/0-5A)
簡易型電量變送器,兩進兩出類型,輸入信號為0-5A,輸出信號都為4-20mA,供電電源為DC24V。
備注:
簡易型電量變送器只能選擇一進一出、兩進兩出
電流輸出與電壓輸出之間是不可切換的,需通過更改硬件完成,訂貨時請注明清楚;
訂貨時請在選型后標注輸入量程范圍;
特殊功能可訂制。
瀏覽:
上一篇:無
下一篇:虹潤NHR-D4系列智能電量變送器




單通道、雙通道
交流電壓、電流輸入
模擬量輸出
傳輸精度(20℃):0.5%FS
模塊化設計,體積小,功耗低
標準的35mmDIN導軌卡式安裝


