虹潤NHR-D4系列智能電量變送器
單通道。交流電壓、電流、功率因素、工頻周波、無功功率、單相功率、三相平衡功率輸入。模擬量、RS485、RS232信號輸出。輸入/輸出/電源三隔離。傳輸精度±0.2%。模塊化設計,體積小,功耗低各端子
- 電 話:021-69028098
- 傳 真:021-69028066
- 郵 箱:shkhyb@163.com
Description
![]() | |
單通道。 交流電壓、電流、功率因素、工頻周波、無功功率、單相功率、三相平衡功率輸入。 模擬量、RS485、RS232信號輸出。 輸入/輸出/電源三隔離。 傳輸精度±0.2%。 模塊化設計,體積小,功耗低 各端子可帶電插拔,便于安裝、維護。 標準的35mmDIN導軌卡式安裝。 |
概述
本產品采用全隔離技術,可直接采集交流電壓、電流信號,可測量工頻、電壓、電流以及相位差和單相、三相平衡功率;采用專用的集成芯片,抗干擾能力強,穩定性高;通過編程器可在線修改顯示量程,變送輸出范圍;帶有液晶顯示功能;具備RS485接口通迅功能,采用標準MODBUS RTU協議與上位機連接可構成數據采集系統及控制系統。
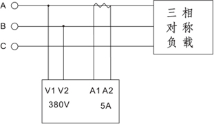
接線圖

三相平衡負載測量時,接線方法如下:

單相負載測量時,接線方法如下:

結構外型圖


技術參數
| 輸入 | |
| 輸入信號 | 交流0~600V輸入,600V以上由電壓互感器轉換為滿量程為100V的電壓輸入 |
| 交流0~5A輸入,5A以上由電流互感器轉換為滿量程為5A的電流輸入 | |
| 輸出 | |
| 輸出信號 | 4-20mA,0-10mA,0-20mA,1-5V,0-5V |
| 輸出負載 | 電流型≤500Ω,電壓型≥250KΩ |
| 通訊 | MODBUS-RTU協議,RS485傳輸距離≤1000米,RS232傳輸距離≤10米;信號傳輸率≤9.6kbps |
| 電源 | |
| 電源 | DC24V(±10%),AC100-265V 50/60Hz |
| 功耗 | ≤2W |
| 其它參數 | |
| 絕緣阻抗 (輸入/輸出/電源之間) | ≥100MΩ(500VDC時) |
| 耐壓強度 (輸入/輸出/電源之間) | 1500Vrms(1 min,無火花) |
| 工作溫度 | 0~50℃(無凝露、無結冰) |
| 相對濕度 | 25%~85%RH |
| 保存溫度 | -10~60℃(無凝露、無結冰) |
| 安裝方式 | 35mmDIN導軌安裝 |
| 安裝尺寸 | 22.5*110*115mm(寬*高*深) |
| 傳輸精度 | 0.3%FS |
| 響應時間 | ≤1S |
| 電磁兼容性 | 符合GB/T18268工業設備應用要求(IEC 61326-1) |
儀表選型
| 6 | 7 | 8 | 9 | ||||||||
| D4系列智能電量變送器 NHR-D4 | - | □ | □ | - | □ | - | □ | ||||
| 位 | 規格 | 注釋 | | ↓ X Y | | | | | | | | | | | | | | | | | | | | | | | | | | | ↓ □ | | | | | | | | | | | | | | | | | | | | | | | | | | | | ↓ A D | |||||
| 6 | <顯示方式> | ||||||||||
| 無顯示 | |||||||||||
| 液晶顯示 | |||||||||||
| 7 | <輸入>(從列表中選擇代碼) | ||||||||||
| 代碼 | 類型 | ||||||||||
| A | 交流電流 (0-5A) | ||||||||||
| V | 交流電壓 (0-600V) | ||||||||||
| COS | 功率因素 | ||||||||||
| HZ | 工頻周波 | ||||||||||
| W0 | 無功功率 | ||||||||||
| W1 | 單相功率 | ||||||||||
| W3 | 三相平衡功率 | ||||||||||
| 8 | <輸出>(從列表中選擇代碼) | ||||||||||
| 代碼 | 類型 | ||||||||||
| X | 無輸出 | ||||||||||
| 0 | 4-20mA | ||||||||||
| 1 | 1-5V | ||||||||||
| 2 | 0-10mA | ||||||||||
| 3 | 0-5V | ||||||||||
| 4 | 0-20mA | ||||||||||
| D1 | RS485通訊(Modbus RTU) | ||||||||||
| D2 | RS232通訊(Modbus RTU) | ||||||||||
| 9 | <電源> | ||||||||||
| AC100-265V 50/60Hz | |||||||||||
| DC24V(±10%) | |||||||||||
型號舉例:NHR-D4-Y-A-0-D(A/0-5A)
智能電量變送器帶液晶顯示,輸入信號為0-5A,輸出信號為4-20mA,供電電源為DC24V。
備注:
訂貨時請在選型后標注輸入量程范圍;
特殊功能可訂制。
瀏覽:
上一篇:虹潤NHR-A4系列簡易型電量變送器
下一篇:昌暉SWP-20系列雙路數學運算模塊




單通道。
交流電壓、電流、功率因素、工頻周波、無功功率、單相功率、三相平衡功率輸入。
模擬量、RS485、RS232信號輸出。
輸入/輸出/電源三隔離。
傳輸精度±0.2%。
模塊化設計,體積小,功耗低
各端子可帶電插拔,便于安裝、維護。
標準的35mmDIN導軌卡式安裝。
