YT系列特種壓力表
特種壓力表適用各工業部門生產工藝流程中對測壓儀表有特殊要求的場合。耐酸壓力表的全部零件,采用不銹鋼材料制成。具有較強的耐腐蝕性能,適用于檢測腐蝕性較強介質的壓力和在惡劣的外部腐蝕環境中使用。
- 電 話:021-69028098
- 傳 真:021-69028066
- 郵 箱:shkhyb@163.com
Description
YTS-100、150耐酸壓力表
YTF-100、YTH-150耐腐耐高溫壓力表
YTU-100S、150S耐硫壓力表
特種壓力表適用各工業部門生產工藝流程中對測壓儀表有特殊要求的場合。耐酸壓力表的全部零件,采用不銹鋼材料制成。具有較強的耐腐蝕性能,適用于檢測腐蝕性較強介質的壓力和在惡劣的外部腐蝕環境中使用。廣泛應用于石油、化工、農藥等工業企業。
耐腐耐高溫壓力表的全部零件均用不銹鋼材料制成,導壓系統采用特殊焊接工藝。具有優良的耐腐蝕性能,適用于對腐蝕性較戕 介質和錫釬焊工藝不宜采用的高溫介質或溫州較高環境中的壓力檢測。廣泛應用于石油、化工、農藥、橡膠等企業。
耐硫壓力表的測壓系統采用具有抗硫性能的特種不銹鋼材料制成。適用于對硫化氫天然氣等介質的壓力測量。在石油、天然氣、化工、化纖等企業得到廣泛的應用。
主要技術參數
| 型號 | 標度范圍(MPa) | 精確度等級 |
| YTS-100 YTS-150 | 0~0.10~0.160-0.25 O~0.40~0.6O~1O~1.60~2.50~4O~60~10 O~160~25 0~400~60 -0.1~O-0.1~0.06-0.1~O.15-0.1~0.3-0.1~0.5 -0.1~0.9-0.1~1.5-0.1~2.4 | 1.6 |
| YTU-100S YTU-150S | ||
| YTF-100 YTH-150 |
使用環境條件:-40~70℃;-40~200℃,(YTH型);相對濕度不大于85%
濕度影響:使用溫度偏離20±5℃時,其溫度福建誤差不大于0.04%/℃。
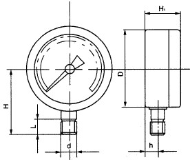
外形尺寸

| 型號 | D | H | L | d | h | H1 |
| YTS-100 YTU-100S YTH-100 | 100 | 90 | 20 | M20×1.5 | 21 | 50 |
| YTS-150 YTU-150S YTF-150 | 150 | 115 | 20 | M20×1.5 | 21 | 50 |
瀏覽:
上一篇:YTZ-150電阻遠傳壓力表
下一篇:CYW-150B系列不銹鋼差壓表



