CYW-150B系列不銹鋼差壓表
- 電 話:021-69028098
- 傳 真:021-69028066
- 郵 箱:shkhyb@163.com
Description
一、概述
CYW-152B及CYW-153B不銹鋼差壓表(以下簡稱儀表)適用于化工、化纖、冶金、電力、核電等工業部門的工藝流程中測量各種液(氣)體介質的差壓、流量等參數。儀表結構全部采用不銹鋼制成,其中的測量系統(雙波紋管及連接部件)、導壓系統(包括接頭、導管等)采用特種奧氏體不銹鋼制成,具有較強的耐腐蝕及抗工作環境侵蝕影響。儀表整體結構設計合理、工藝先進、具有體積小、重量輕、穩定性好、使用壽命長、外觀新穎、適應性強等優點。儀表接頭的連接形式有平行式(可直接與三閥組連接)和斜式兩種,能夠適應不同用戶的配套安裝。
二、結構原理
儀表采用雙波紋管結構,即兩只波紋管分別安裝在“工”字型支架兩側的對稱位置上。“工”字型支架的上下兩端分別為活動端和固定端,中間由彈簧片相連接;兩只波紋管呈平行狀態,分別用導管與表殼上的高低壓接頭相連接;齒輪傳動機構直接安裝在支架的固定端,并通過拉桿與支架的活動端相連接;度盤則直接固定在齒輪傳動機構上。
儀表的工作原理:基于感壓元件采用兩只具有相同剛度的波紋管,因此在同一被測介質下迫使其產生相同的集中力分別作用于活動支架上,由于彈簧片兩側在等力矩作用下不產生擾度,故支架還處于原始位置,這樣齒輪傳動機構也不動作,使指針仍指在零位。
當施加不同壓力(一般高壓端高于低壓端)時,兩波紋管作用在活動支架上的力則不相等,使分別產生相應的位移,并帶動齒輪傳動機構傳動并予放大,由指針偏轉后指示出兩者之間的差壓值。
三、主要技術參數
| 差壓測量范圍 | 公稱工作壓力 | 精確度等級 | 接頭螺紋尺寸 | ||
| 0-10 0-16 0-25 0-40 0-60 0-100 | KPa | 60 100 160 250 400 600 | KPa | 2.5 | M20*1.5 NPT1/2 |
| 0-0.16 0-0.25 0-0.4 0-0.6 0-1 0-1.6 0-2.5 | MPa | 1 1.6 2.5 4 6 1010 | MPa | ||
1.差壓的測量范圍、公稱工作壓力、精確度等級及接頭螺紋尺寸
2.導壓系統及外殼等材質
| 零件名稱 | 材質牌號(代號) |
| 接頭、導管 | 0Cr17Ni12Mo2(316) |
| 波紋管 | 0Cr17Ni14Mo2(316L) |
| 表殼、表蓋、表環 | 0Cr18Ni9(304) |
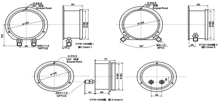
3.外型及安裝尺寸:見圖1、圖2、圖3

4.使用環境溫度:-40~70℃
5.抗工作環境振動:V.H.3級
6.重量:約1.5kg
7.儀表外殼防護等級:IP54
8.儀表技術性能符合企業標準Q/YXBM831-1997《不銹鋼差壓表》
適用須知
1、儀表應垂直安裝于與測量點保持同一水平的位置上,否則須酌情計入由液位差引起的附加誤差。
2、儀表接頭上標有“H”的為高壓端,標有“L”的為低壓端。
3、儀表在測量差壓時,其差壓值可使用到標度范圍上限值的75%以內,系統的最大靜壓值應不超過儀表規定的最大靜壓值。
4、按圖3所示,安裝時應在儀表的高、低壓端入口前設置平衡(安全)閥(閥1),并應處于開啟位置,待閥2、閥3全部開啟后再將平衡閥關閉。
5、儀表在使用前應仔細核實被測介質對其產生的侵蝕程度,以免使波紋管導致早期腐蝕損壞。
6、儀表在定期維修時,如必須開啟表蓋時,宜借助專用工具進行。
7、儀表在受溫度變化而引起示值誤差增大并直接影響測量的準確性時,可剪去表殼上的護塞凸臺。

訂貨需知
用戶在訂購儀表時注明:
1、型號及名稱、差壓范圍、最大靜壓、計量單位、精確度等級;
2、接頭和波紋管材質;
3、接頭羅紋尺寸:M20x1.5或NPT1/2;
4、對有特殊要求,如表殼內充液體或其它要求時可協商解決。注:可代用戶訂制三閥組(圖3中閥1-3)
差壓表常用規格型號
差壓表 CW-154-0.16-1-F,0~0.16MPa
差壓表 CW-154-0.16-1-F,0~0.16MPa




