YPF系列膜片壓力表
膜片壓力表適用于測量有一定腐蝕性、粘稠介質和非結晶及非凝固的各種流體介質的壓力或負壓。可根據測量介質對腐蝕性能的不同要求而選用不同材料的膜片。 外殼用不銹鋼材料的儀表,可在工作環境較惡劣的情況下使
- 電 話:021-69028098
- 傳 真:021-69028066
- 郵 箱:shkhyb@163.com
Description
膜片壓力表適用于測量有一定腐蝕性、粘稠介質和非結晶及非凝固的各種流體介質的壓力或負壓。
可根據測量介質對腐蝕性能的不同要求而選用不同材料的膜片。
外殼用不銹鋼材料的儀表,可在工作環境較惡劣的情況下使用。
結構原理
儀表由測量系統(包括接頭、法蘭、膜片)、傳動機構、指示裝置和外殼組成。
在被測介質的壓力作用下,儀表的彈性元件(膜片)產生與壓力大小成正比的彈性變形一位移,借助連桿經傳動機構放大,由指示裝置指示被測壓力值。
型號命名

四、技術參數
①測量范圍、承壓部尺寸
| 型號 | 測量范圍 | 承壓部尺寸D1 |
| YPF-100A | 0~0.06;0~0.1;0~0.16;0~0.25;0~0.4; 0~0.6;0~1.0;0~1.6;0~2.5; -0.1~0;-0.1~0.06;-0.1~0.15; -0.1~0.3; -0.1~0.5;-0.1~0.9;-0.1~1.5; -0.1~2.4MPa | φ85 |
| YPF-100B YPF-100B-F | ||
| φ115 | ||
| YPF-150A | φ85 | |
| YPF-150B YPF-150B-F | ||
| φ115 | ||
| YPF-100B YPF-100B-F | 0~1.6;0~2.5;0~4;0~6;0~10;0~16;0~25;0~40; -1.6~0;-2.5~0;-4~0;-6~0;-10~0;-16~0;-25~0;-40~0;-0.8~0.8;-1.2~1.2;-2~2;-3~3;-5~5;-8~8;-12~12;-20~20KPa | φ160 |
| YPF-150B YPF-150B-F | φ160 |
注:0~40,-40~0,±20KPa規格承壓部尺寸D1;為φ85
◆精確度等級:2.5
◆使用環境溫度:-40℃~+70℃;相對濕度不大于90%
◆溫度影響:使用溫度偏離20±5℃時,其溫度附加誤差不大于0.04%/℃
◆工作位置:垂直安裝
◆外殼防護等級:IP64
②導壓系統及外殼等主要零件材質
| 型號 | 導壓系統工程 | |||
| 膜片 | 法蘭接頭 | 密封墊圈 | 表殼材料 | |
| YPF-100A YPF-150A | Cr15Ni7Mo (PH15-7Mo) 316L(≤25KPa) | 1Cr18Ni9 | 丁腈橡膠 | 鑄鋁 |
| YPF-100B YPF-150B | 聚四氟乙烯 | 1Cr18Ni9 | ||
| YPF-100BF YPF-150BF | ||||
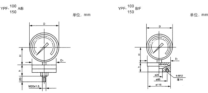
五、外形尺寸

| YPF-100A | YPF-100B | YPF-100B-F | YPF-150A | YPF-150B | YPF-150B-F | |
| D | φ100 | φ110 | φ110 | φ150 | φ160 | φ160 |
| H | 66 | 66 | 66 | 91 | 91 | 91 |
| h | 32 | 32 | 36 | 32 | 32 | 36 |
膜片壓力表常用型號
膜片耐震壓力表 YPN-60 0~0.6MPa 螺紋:M14×1.5
瀏覽:
上一篇:YB系列精密壓力表
下一篇:YEX-B系列不銹鋼膜盒電接點壓力表



