YEX-B系列不銹鋼膜盒電接點壓力表
不銹鋼膜盒電接點壓力表是根據不銹鋼膜盒壓力表的結構原理而研制的具有耐腐蝕的微壓測量儀表。
- 電 話:021-69028098
- 傳 真:021-69028066
- 郵 箱:shkhyb@163.com
Description
一、概述
不銹鋼膜盒電接點壓力表是根據不銹鋼膜盒壓力表的結構原理而研制的具有耐腐蝕的微壓測量儀表。導壓系統及外殼均采用不銹鋼材料制成,儀表經與相應的電氣器件配套使用,可達到對被測壓力系統實現預先設定的最大或最小壓力值的雙位自動控制和發信(報警)的目的。
二、結構原理
儀表由測量系統(包括接頭、膜盒)、傳動機構、指示裝置、磁助電接頭裝置、外殼、調節裝置及航空扦等組成。
當被測介質的壓力作用于膜盒時,其自由端產生相應彈性變形—位移,經拔桿帶動傳動機構放大,由指示裝置將被測壓力在儀表度盤上指示出來。同時指針帶動電接頭裝置的活動觸點與設定指針上的觸頭(上限或下限)相接觸的瞬時,致使控制系統接通或斷開電路,以達到自動控制和發信報警的目的。
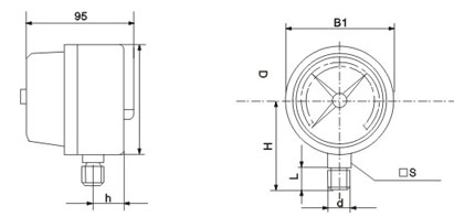
三、外形尺寸(單位:mm)

| 型號 | D | H | C | d | h | □S |
| YEX-150B | φ150 | 118 | 20 | M20×1.5 | 17 | □22 |
四、主要技術參數
◆標度范圍、精確度等級
| 型號 | 標度范圍KPa | ||||
| 正壓 | 負壓 | 正負壓 | 精確度等級 | ||
| YEX-150 YEX-150B | 0~4 0~6 0~10 0~16 0~25 0~40 0~60 | -4~0 -6~0 -10~0 -16~0 -25~0 -40~0 | -2~+2 -3~+3 -5~+5 -8~+8 -12~+12 -20~+20 | 2.5 | |
◆使用環境條件:工作環境溫度-25~55℃,相對濕度不大于80%。
◆抗工作環境振動:V.H.3級
◆導壓系統及外殼材質
| 型號 | 材料牌號 |
| 接頭 | 1Cr18Ni9 |
| 膜盒 | 1Cr18Ni9 |
| 表殼、表蓋、表環 | 1Cr18Ni9 |
瀏覽:
上一篇:YPF系列膜片壓力表
下一篇:YEJ系列矩形(接點)膜盒壓力表



