YEJ系列矩形(接點)膜盒壓力表
YEJ-101型矩形膜盒壓力表適用于鍋爐通風設備等對銅合金不起侵蝕作用的和中性、無爆炸危險的氣體微壓和負壓進行測量。
- 電 話:021-69028098
- 傳 真:021-69028066
- 郵 箱:shkhyb@163.com
Description
一、概述
YEJ-101型矩形膜盒壓力表適用于鍋爐通風設備等對銅合金不起侵蝕作用的和中性、無爆炸危險的氣體微壓和負壓進行測量。
YEJ-121型矩形接點膜盒壓力表適用于鍋爐通風設備中對銅合金不起侵蝕作用的和中性、無爆炸危險的氣體的微壓和負壓進行測量并具有雙二位調節(雙限發訊)的作用,以實現位式調節或超限報警之用。
二、主要技術參數
◆ 精確度等級:2.5
◆ 使用環境條件:-20~60℃(YEJ-121型為0~50℃),相對濕度不大于85%,且震動和被測介質的急劇脈動對儀表正常工作無明顯影響。
◆ 測量范圍(Pa)
| 正壓 | 負壓 | 正負壓 | |
| 0~250 | -250~0 | -120~+120 | |
| 0~400 | -400~0 | -200~+200 | |
| 0~600 | -600~0 | -300~+300 | |
| 0~1000 | -1000~0 | -500~+500 | |
| 0~1600 | -1600~0 | -800~+800 | |
| 0~2500 | -2500~0 | -1200~+1200 | |
| 0~4000 | -4000~0 | -2000~+2000 | |
| 0~6000 | -6000~0 | -3000~+3000 | |
| 0~10000 | -10000~0 | -5000~+5000 | |
| 0~16000 | -16000~0 | -8000~+8000 | |
| 0~25000 | -25000~0 | -12000~+12000 | |
| 0~40000 | -40000~0 | -20000~+20000 | |
◆ 重量:2kg(101型),2.5kg(121型)
◆ 電氣指標:(YEJ-121型)
◆ 設定誤差:小于全量程的2.5%
◆ 位式輸出接點容量:交流無感受負載3A 220V
◆ 工作電源:AC220V
◆ 消耗電源:小于5W
◆ 壓力接口:φ8(配用內徑φ6軟管)
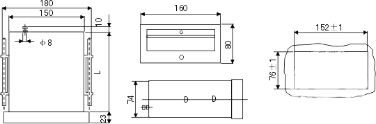
三、外形尺寸

| 101型 | 121型 | |
| L | 160 | 250 |
四、端子接線圖

瀏覽:



