YE-100B/150B系列不銹鋼膜盒壓力表
不銹鋼膜盒壓力表根據普通膜盒壓力表的結構原理而研制具有耐腐蝕的微壓測量儀表。導壓系統信外殼均采用不銹鋼材料制成。
- 電 話:021-69028098
- 傳 真:021-69028066
- 郵 箱:shkhyb@163.com
Description
一、概述
不銹鋼膜盒壓力表根據普通膜盒壓力表的結構原理而研制具有耐腐蝕的微壓測量儀表。導壓系統信外殼均采用不銹鋼材料制成。應用于耐腐蝕要求較高的工藝流程中對各種氣體介質的微壓和負壓的測量;也可用于鍋爐通風、氣體管道、燃燒裝置等及其它類似設備上。是引進國外先進技術設備中同類儀表實現國產化的理想配套產品。
二、結構原理
儀表由測量系統(包括接頭、膜盒等)、傳動機構、指示裝置和外殼組成。導壓系統及外殼均用不銹鋼材料制成,采用密封型結構,防止污穢物侵入。
當被測介質的壓力作用于膜盒時,其自由端產生相應彈性變形一位移,經撥桿帶動傳動機構放大,由指示裝置將被測壓力在儀表度盤上指示出來。
三、技術參數
◆標度范圍精度等級
| 型號 | 標度范圍KPa | ||||
| 正壓 | 負壓 | 正負壓 | 精確度等級 | ||
| YE-100B YE-150B | 0~1.6 0~2.5 0~4 0~6 0~10 0~16 0~25 0~40 0~60 | -1.6~0 -2.5~0 -4~0 -6~0 -10~0 -16~0 -25~0 -40~0 | ±0.8 | 1.6 2.5 | |
◆使用環境條件:工作環境溫度-25~55℃,相對濕度不大于80%。
抗工作環境振動:V.H.3級
◆導壓系統及外殼材質
| 型號 | 材料牌號 |
| 接頭 | 1Cr18Ni9 |
| 膜盒 | 1Cr18Ni9 |
| 表殼、表蓋、表環 | 1Cr18Ni9 |
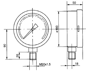
四、外形尺寸(單位:mm)

| 型號 | D | H | h |
| YE-100B | 100 | 90 | 50 |
| YE-150B | 150 | 120 | 44 |
常用規格型號
不銹鋼膜盒壓力表 YBE-100 M20*1.5 0~40KPa
瀏覽:
上一篇:YEJ系列矩形(接點)膜盒壓力表
下一篇:YE-100、150系列膜盒壓力表




