YTN、YTN-B/YJTFN系列不銹鋼耐震壓力表
- 電 話:021-69028098
- 傳 真:021-69028066
- 郵 箱:shkhyb@163.com
Description
耐震壓力表主要用于冶金、電力、石油、化工、輕工、機械等工業部門的壓力檢測。壓力表依靠內部充灌阻尼油和配套緩沖裝置等措施。具有良好的耐震性能。適用于被測介質的壓力有強烈脈沖變化或壓力沖擊和在生產工藝中經常突然卸何的場合,以及環境震動較大的場所。儀表能測氣體、液體脈動壓力的平均值。以克服介質強烈脈沖及環境震動對儀表帶來的損害,確保讀數的準確性。
不銹鋼耐震壓力表的外殼用不銹鋼材料制成(簡稱半鋼),可在有腐蝕性、振動較大的惡劣環境中使用。
主要技術參數
型號、結構形式、標度范圍、精確度等級
型號 | 結構形式 | 精確度% | 測量上限MPa |
YTN-60 | 徑向 | ±2.5 | 0~0.1;0~0.16;0~0.25;0~0.4;0~0.6; |
YTN-100 | 徑向 | ±1.6 | 0~0.1;0~0.16;0~0.25;0~0.4;0~0.6; |
YTN-150 | 徑向 | 0~0.1;0~0.16;0~0.25;0~0.4;0~0.6; 0~1.0;0~1.6;0~2.5;0~4.0;0~6.0; 0~10;0~16;0~25;0~40;0~60;0~100 |
儀表直徑63.103.153表示直徑為60.100.150軸向帶邊
使用環境溫度:5~55℃(表殼內充甘油);25~55℃(表殼內充硅油)。
抗工作環境振動等級V.H.4
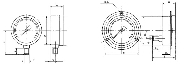
外形尺寸(單位:mm)

型號 | D | H | H1 | H2 | B | d2 | d0 | d | L |
YTN-60 | φ60 | 32 | 13 | 55 | M14×1.5 | 14 | |||
| YTN-60ZT | 22 | 0 | 65 | 4.5 | 76 | ||||
| YTN-60B | 32 | 13 | 55 | ||||||
| YTN-63B | 22 | 0 | 65 | 4.5 | 76 | ||||
YTN-100 | φ100 | 44 | 18 | 90 | M20×1.5 | 20 | |||
| YTN-100ZT | 27 | 30 | 90 | 5.5 | 118 | ||||
| YTN-100B | 44 | 18 | 90 | ||||||
| YTN-103B | 27 | 30 | 90 | 5.5 | 118 | ||||
YTN-150 | φ150 | 44 | 18 | 120 | M20×1.5 | 20 | |||
| YTN-150ZT | 27 | 55 | 95 | 5.5 | 165 | ||||
| YTN-150B | 44 | 18 | 120 | ||||||
| YTN-153B | 27 | 55 | 95 | 5.5 | 165 |
備注:連接螺紋可按要求訂貨。
型號標識
注:耐震壓力表YN和YTN字母意義一致,屬于同一產品。
![]() | ![]() |
使用與訂貨須知
使用中因環境溫度過高,儀表指示值不回零位,可用細針在儀表橡皮塞上通一小孔,使儀表內腔與大氣相通即可。
工作環境應無腐蝕性氣體。
訂貨請說明名稱,型號及測量上限。
YTN、YTN-B/YJTFN系列不銹鋼耐震壓力表常壓型號
不銹鋼耐震壓力表 YJTFN-100/0~1MPa/徑向 1/2NPT
不銹鋼耐震壓力表 YJTFN-100/-0.1~0.06MPa徑向 1/2NPT
耐震壓力表 YN-60 0~0.6MPa 螺紋:M14×1.5 精度:2.5級
耐震壓力表 YN-60 0~1MPa 螺紋:M14×1.5 精度:2.5級
耐震壓力表 YN-100 0~1.6MPa 螺紋:M20×1.5 精度:1.6級
耐震壓力表 YN-1000~0.6MPa 螺紋:M20×1.5 精度:1.6級
耐震壓力表 YN-100 0~1MPa 螺紋:M20×1.5 精度:1.6級
耐震壓力表(充油) YTN-100 0~0.4MPa M20×1.5 1.6級
耐震壓力表(充油) YTN-100 0~1MPa M20×1.5 1.6級
耐高溫耐震壓力表(充油) YTN-100B 0~0.25MPa M20×1.5 不銹鋼材質 1.6級
耐高溫耐震壓力表(充油) YTN-100B 0~0.4MPa M20×1.5 不銹鋼材質 1.6級
耐高溫耐震壓力表(充油) YTN-100B 0~1MPa M20×1.5 不銹鋼材質 1.6級
耐震壓力表 YN-100,0~1.6MPa
耐震壓力表 YN-100,0~10MPa
耐震壓力表 YN-100,0~40MPa
耐振壓力表 YN-100 0~1.6Mpa 徑向 表盤:100mm M20x1.5 1.6級
耐震壓力表Y-150N 精度1.5級 安裝螺紋:M20*1.5環境溫度:-40℃~60℃ 0-1MPa
耐震壓力表 Y-150N 精度1.5級 安裝螺紋:M20*1.5環境溫度:-40℃~60℃ 0-1.6MPa
耐震壓力表 Y-150N 精度1.5級 安裝螺紋:M20*1.5環境溫度:-40℃~60℃ 0-10MPa
耐熱壓力表 YTH-150 0~2.5MPa 配散熱器 1.6級
耐震壓力表 YTN-150 0~25MPa 1.6級
耐震壓力表 YN-100B 表盤100 0~6bar M20*1.5
耐震壓力表 YN-100B 表盤100 0~6bar M20*1.5 304不銹鋼 底部連接 帶焊接螺母
耐震壓力表 YN-100B 表盤100 -1~15bar M20*1.5 304不銹鋼 背部連接 帶氣管接頭







